Pedalboard MIDI Controller

a MIDI VPO Controller

Overview

A virtual pipe organ (VPO) can recreate the capabilities and sound of a traditional organ through extensive sample libraries controlled by Musical Instrument Device Interface (MIDI) controllers. In this project I overhauled an organ pedalboard to update its sensors and allow it to communicate over MIDI. I additionally outfitted an expression pedal for MIDI communication and integrated it, the pedalboard, and three keyboards into a VPO setup. Following the overhaul in 2021, I revisited the design in 2023 and again in 2025 to streamline the system.

Design

2021 Design

The pedalboard contains 32 pedals, each of which has a magnet attached to its toe end. In front of each magnet a bracket suspended a 1” by 1.7” PCB with approximately 0.615” long slots for adjusting the pedal depression threshold for switching notes. In the pedalboard’s original design, each of these sensor boards housed a reed switch and two diodes. Three pins at the bottom of each board provided the connection points for harnessing, which gathered the signals from the 32 boards to be provided to the organ’s original console.

Original sensor board hardware with damaged reed switch removed.
Original sensor board hardware with damaged reed switch removed
Original sensor board hardware with damaged reed switch removed.

Without the console, the overhauled version of the sensor boards were to communicate with an Arduino which generated MIDI messages from pedal presses. The 32 inputs would be sent to four 8-bit parallel-in, serial-out shift registers to reduce I/O requirements on the Arduino. The shift registers were housed on a pair of protoboards alongside 10K pull-down resistors for the inputs. In the 2021 overhaul, the sensor board hardware was reused without alterations. Two of the three pins on these boards were used, with one providing a logic high connection to pull up an output pin. Each of the shift register boards was wired to a breadboard housing the Arduino. This breadboard also accepted a connection from the expression pedal to be read by an Arduino analog input.

Pedalboard sensor and controller schematic. Colors of the data wires match wiring on the shift register protoboards. Sensor boards and data wires are abbreviated.
Partially assembled shift register protoboard
Partially assembled shift register protoboard
Mounted sensor boards with wiring attached
Mounted sensor boards with wiring attached
Partially assembled shift register protoboard
Partially assembled shift register protoboard
Mounted sensor boards with wiring attached
Mounted sensor boards with wiring attached

An Arduino Nano served as the pedalboard’s controller. It produced the control signals for the shift registers, maintained an array representing the states of pedals, tracked the expression pedal’s volume, and output MIDI messages. Each message consisted of three bytes: a command byte and two data bytes. For the pedals the command byte was either a “note on” or “note off” command. The first data byte was a pitch number, and the second a velocity. Organ pedals are velocity insensitive, so an arbitrary value was output. For the expression pedal the command byte was a “control change” command. The first data byte identified the controller as an expression pedal and the second was the pedal’s value quantized to 7 bits.

Controller breadboard housing shift register signals (far side of the Arduino), and signals from two expression pedals (near side of Arduino)
Controller breadboard housing shift register control and serial data signals (far side of the Arduino), and signals from two expression pedals (near side of Arduino)
Controller breadboard housing shift register signals (far side of the Arduino), and signals from two expression pedals (near side of Arduino)

The Arduino is recognized by Windows as a generic COM port device. I used The Hairless MIDI to Serial Bridge to open a MIDI port carrying these messages and loopMIDI to create a virtual MIDI loopback port, which allowed VPO programs to recognize and connect to the port. A USB midi interface was responsible for combining messages from three keyboards with built-in MIDI capabilities over a second MIDI port.

Monitors of MIDI/Serial Bridge and loopMIDI activity
Monitors of MIDI/Serial Bridge and loopMIDI activity
Monitors of MIDI/Serial Bridge and loopMIDI activity

2023 Update

The reed switches were quite fragile, leading to several needing replacement in the original overhaul and a small number needing replacement in the intervening two years. The dependence of the sensor boards’ thresholds on their mounting height additionally inconvenienced installation and encouraged intermittent servicing if any were to slip. I addressed both shortcomings with a design replacing the reed switches with hall effect sensors.

The design used a hall effect sensor with PWM output corresponding to magnetic field strength. The output was averaged through an RC network and passed to a comparator with its reference voltage taken from a potentiometer for electronic threshold adjustment. The comparator was given some hysteresis to mitigate instability caused by ripple in the averaged PWM signal.

Assembled hall effect sensor board
Assembled hall effect sensor board
Assembled hall effect sensor board

2025 Update

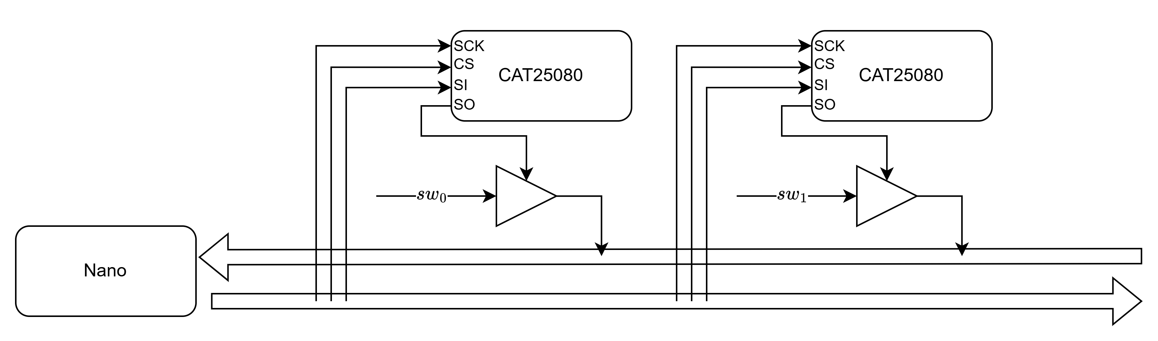
In this most recent update I hope to address the large number of wires which run from the sensor boards to the shift registers using a bus.

Unable to identify a suitable IC for transmitting the sensor boards’ single bit outputs over a serial protocol or a reasonably priced hall effect sensor with bus protocol communication, I decided to use memory ICs as a vehicle for placing the sensor boards on a bus. On each sensor board, a small memory with serial output can be used to generate the enable signal for a tri state buffer. The memories can then be programmed such that only one buffer is enabled on each data wire in the bus in a given clock cycle when all memories are read simultaneously.

The CAT25080 EEPROM automatically advances memory addresses after the output of each 8bit word, so only an initial address need be sent. Since memories are read simultaneously, all SPI inputs—including CS—can be shared.
The CAT25080 EEPROM automatically advances memory addresses after the output of each 8bit word, so only an initial address need be sent. Since memories are read simultaneously, all SPI inputs—including CS—can be shared.
The CAT25080 EEPROM automatically advances memory addresses after the output of each 8bit word, so only an initial address need be sent
The CAT25080 EEPROM automatically advances memory addresses after the output of each 8bit word, so only an initial address need be sent. Since memories are read simultaneously, all SPI inputs—including CS—can be shared.
The CAT25080 EEPROM automatically advances memory addresses after the output of each 8bit word, so only an initial address need be sent
The CAT25080 EEPROM automatically advances memory addresses after the output of each 8bit word, so only an initial address need be sent. Since memories are read simultaneously, all SPI inputs—including CS—can be shared.

I made additional modifications to the sensor side of the circuit. The PWM hall sensor was replaced with one that produces an analog output directly, and the averaging RC network was removed. A dual op-amp which served as a unity gain buffer and comparator was replaced with a single comparator which drives the tri state buffer. A small output resistor was added after the tri state buffer to limit current in the case of bus contention. The bus was implemented in the board’s layout with a single insulation displacement contact connector on each board. Through hole components were replaced with surface mount ones to facilitate placement underneath the bus wires.

2D and 3D views of a surface mount resistor footprint created for the SPI bus revision. This project encouraged my first look into IPC-7351 for sizing the surface mount footprints.
2D and 3D views of a surface mount resistor footprint created for the SPI bus revision
2D and 3D views of a surface mount resistor footprint created for the SPI bus revision. This project encouraged my first look into IPC-7351 for sizing the surface mount footprints.

The layout for this revision of the board has been finalized and fabricated. Current efforts are devoted to sourcing parts for assembly.